Phillips 66 patented a system for blending gasoline from neat gasoline, ethanol, and butane. The system includes pipes for different octane levels, valves for flow regulation, analyzer cells for octane number monitoring, and a receptacle for blending. The blend ratio is adjusted based on octane numbers. GlobalData’s report on Phillips 66 gives a 360-degree view of the company including its patenting strategy. Buy the report here.
Discover B2B Marketing That Performs
Combine business intelligence and editorial excellence to reach engaged professionals across 36 leading media platforms.
According to GlobalData’s company profile on Phillips 66, Microscale biofuel reactors was a key innovation area identified from patents. Phillips 66's grant share as of March 2024 was 57%. Grant share is based on the ratio of number of grants to total number of patents.
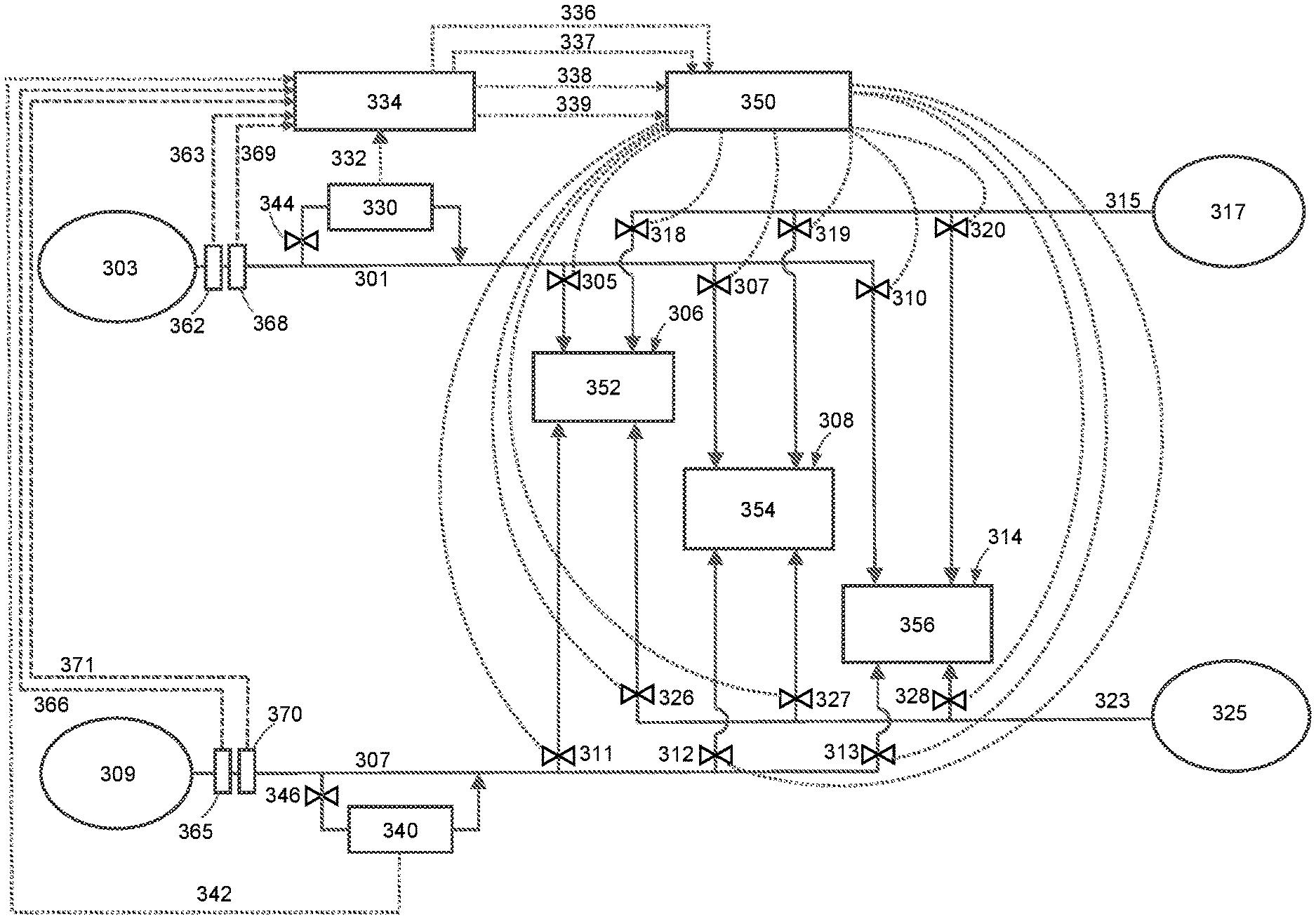
Gasoline blending system with ethanol and butane control

A recently granted patent (Publication Number: US11939210B1) discloses a system for blending gasoline that includes a premium octane pipe, a regular octane pipe, a butane pipe, and a receptacle for blending the different types of gasoline to produce a finished product. The system also features analyzer cells connected to the pipes to continually obtain octane numbers, valves for regulating flow rates, and a programmable logic controller for calculating blend ratios based on various parameters such as octane numbers, volatility measurements, and predicted values for butane and ethanol. The system aims to produce certified gasoline blends, including premium octane, mid-grade octane, and regular octane blends, while minimizing octane giveaway.
Furthermore, the patent describes a gasoline blending system designed to decrease octane giveaway by utilizing multiple pipes, valves, analyzer cells, and a programmable logic controller to create two different gasoline blends. The system accounts for various factors such as octane numbers, volatility measurements, and predicted values for ethanol and butane to calculate volumetric blend ratios. By implementing precise control over the blending process, the system aims to produce finished gasoline blends with specific octane levels, including premium octane, mid-grade octane, and regular octane blends. The system's design allows for flexibility in adjusting the blend ratios based on the properties of the input components, ultimately optimizing the blending process to reduce octane giveaway and ensure the quality of the final gasoline products.
To know more about GlobalData’s detailed insights on Phillips 66, buy the report here.
Data Insights
From
The gold standard of business intelligence.
Blending expert knowledge with cutting-edge technology, GlobalData’s unrivalled proprietary data will enable you to decode what’s happening in your market. You can make better informed decisions and gain a future-proof advantage over your competitors.

